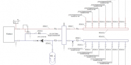
Если вы в процессе подготовки к строительству дома, рекомендуем обратиться к опытным специалистам-проектировщикам, чтобы учесть в проекте все нюансы. Предлагаем заказать проект отопления в Симферополе в нашем агентстве, проект на водоснабжение, теплый пол, индивидуальный тепловой пункт (ИТП) и многое другое. А пока предлагаем ознакомиться с проектами, спецификациями, исполнительной документацией и монтажными схемами, выполненными проектно-монтажным отделом Инжинирингового агентства:
Для заказа проектов в нашем агентстве работает проектно-монтажный отдел Инжинирингового агентства. Будем рады помочь в воплощении ваших планов!
Используя этот веб-сайт, Вы даете согласие на обработку файлов cookie, пользовательских данных в целях корректного функционирования сайта и проведения статистических исследований.
